Raspberry Pi Compute Module 5 (CM5104032) - 4GB RAM 32GB eMMC 2.4/5.0GHz WiFi &amp Bluetooth 5.0

442-585

Product Stock
Surabaya2 pcs

Close

Rp 3.115.000

Add to wishlist

Free Google QRcode module from Mediacom87

Raspberry Pi Compute Module 5 adalah modul komputasi Raspberry Pi generasi terbaru untuk aplikasi industri, embedded system dan produk komersial. Modul ini menggunakan arsitektur yang sama denan Raspberry Pi 5 namun dalam bentuk System-on-Module (SoM) yang lebih ringkas sehingga mudah diintegrasikan ke dalam carrier board. Raspberry Pi Compute Module 5 menggunakan prosesor Broadcom BCM2712 quad-core ARM Cortex-A76 64-bit dengan kecepatan hingga 2.4GHz, memberikan peningkatan performa yang signifikan dibanding Compute Module generasi sebelumnya.

Modul ini dilengkapi dengan RAM 4GB LPDDR4X dan penyimpanan internal 32GB eMMC serta sudah mendukung konektivitas WiFi dan Bluetooth. Modul ini cocok digunakan untuk sistem otomasi perangkat IoT industri, digital signage, robotika hingga produk komersial berbasis Linux

Peningkatan dari seri generasi sebelumnya (Compute Module 4) :

  • Prosesor lebih baru : CM4 CPU model Broadcom BCCM2711, quad-core Arm Cortex-A72, 1.5GHz, CM5 CPU model Broadcom BCCM2712, quad-core Arm Cortex-A76, 2.4GHz.
  • Teknologi manufaktur : dari 28nm (CM4) ke 16nm (CM5)
  • Kecepatan memori yang lebih tinggi : LPDDR4-3200 (CM4 ) ditingkatkan menjadi LPDDR4-4267 (CM5)
  • Output video : CM5 sudah mendukung output ganda 4K60P dan HDR
  • Pasokan daya : Antarmuka daya CM5 telah ditingkatkan dari 5V3A menjadi 5V5A, serta mendukung protokol PD.
  • GPU : GPU ditingkatkan dari sebelumnya 600MHz VideoCore VI (CM4) ke 800MHz VideoCore VII (CM5)
  • Multimedia : CM5 supports 4Kp60 HEVC decoder and OpenGL ES 3.1, Vulkan 1.2.
  • Peningkatan Antarmuka I/O : Termasuk PCIe 2.0, USB 3.0, MIPI DSI/CSI-2, dan hingga 30 GPIO yang mendukung berbagai protokol (UART, I2C, SPI, dll.).


Spesifikasi :

  • Prosesor : Broadcom BCM2712 quad-core Arm Cortex-A76 (Armv8) SoC @ 2.4GHz
  • RAM : 4GB LPDDR4
  • Penyimpanan : 32GB eMMC
  • Konektivitas Nirkabel :
    • 2.4 GHz / 5.0 GHz IEEE 802.11 b/g/n/ac wireless
    • Bluetooth 5.0, BLE
    • On-board electronic switch to select between PCB trace or external antenna
  • Ethernet : Onboard Gigabit Ethernet PHY supporting IEEE1588
  • USB :
    • 1× USB 2.0 port (high speed)
    • 2× USB 3.0 ports, supporting simultaneous 5Gbps operation
  • PCIe : 1× PCIe x1 root complex, Gen 2 (5Gbps)
  • GPIO :
    • Up to 30× GPIO supporting either 1.8V or 3.3V signalling and peripheral options:
    • Up to 5× UART
    • Up to 5× I2C
    • Up to 5× SPI
    • 1× SDIO interface
    • 1× DPI (parallel RGB display)
    • 1× I2S
    • Up to 4× PWM channels
    • Up to 3× GPCLK outputs
  • Video :
    • 2× HDMI 2.0 ports (supports up to 4Kp60 on both ports simultaneously)
    • 2× 4-lane MIPI ports supporting both DSI (display port) and CSI-2 (camera port)
  • Multimedia :
    • 4Kp60 HEVC decoder
    • OpenGL ES 3.1 graphics, Vulkan 1.2
  • Input power : Single +5V PSU input supports USB PD for up to 5A@5V
  • Suhu Operasi : 20°C to +85°C
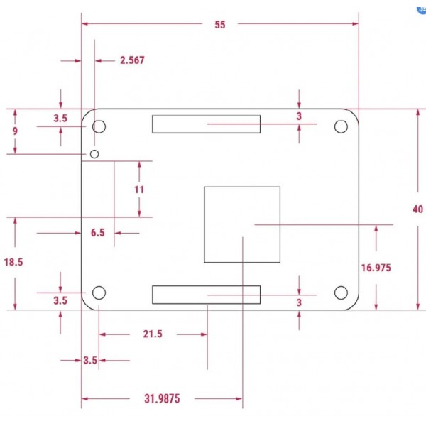
  • Dimensi : 55×40x4.7mm


Dokumen :

Product Brief [ Link ]
Datasheet [ Link ]
Design Files [ Link ]


Produk Terkait : 

No customer comments for the moment.

Write a review

Raspberry Pi Compute Module 5 (CM5104032) - 4GB RAM 32GB eMMC 2.4/5.0GHz WiFi &amp Bluetooth 5.0

Raspberry Pi Compute Module 5 (CM5104032) - 4GB RAM 32GB eMMC 2.4/5.0GHz WiFi & Bluetooth 5.0

adalah modul komputasi Raspberry Pi generasi terbaru untuk aplikasi industri, embedded system dan produk komersial

Write a review